Купил такой https://www.chipdip.ru/product/mas830l- … mp;ybaip=1
MAS830L, только компания IEK, там наоборот кнопки подсветка и память.

Вот так бликует UT33B+, он без защитной плёнки по сравнению с другим.
- Подпись автора
Будьте здоровы и счастливы.
Биорезонансные технологии |
Привет, Гость! Войдите или зарегистрируйтесь.
Вы здесь » Биорезонансные технологии » Электропунктурная диагностика » Электропунктурная диагностика по методу И. Накатани (2)
Купил такой https://www.chipdip.ru/product/mas830l- … mp;ybaip=1
MAS830L, только компания IEK, там наоборот кнопки подсветка и память.

Вот так бликует UT33B+, он без защитной плёнки по сравнению с другим.
Будьте здоровы и счастливы.

Всем привет, предлагаю сделать нормальный активный электрод для Накатани.
Если просто как обычный у меня или у вас в БИОРС, то всё равно прикладывается большее давление чем надо.
Ещё раз пересмотрел ролик Бойцова Тестирование по Ридораку, там где он показывает на какие точки как прикладывает свой электрод как у Накатани.
Нужно без усилия просто плотно прижать.
Привычка сильно жать электрод так и осталась у меня от элетропунктуры.
У меня получается намного сильнее, что соответственно искажает первоначальный замер на 3 секундах, что влияет на показания общего энергетического уровня при замере всех точек.
Вот такая у меня заготовка овощечистка, 16,5 см, судя по электроду на ролике так приблизительно и будет.
Сама ручка 10 см, от ручки до наконечника 6 см.
Далее сверлить отверстие и т.д.
При конструкции такого электрода прижатие будет существенно меньше чем обычным, во всяком случае у меня точно.
Отредактировано Олег Викторович (17.09.2025 07:08)
Будьте здоровы и счастливы.
Всем привет, предлагаю сделать нормальный активный электрод для Накатани.
Если просто как обычный у меня или у вас в БИОРС, то всё равно прикладывается большее давление чем надо.
Ещё раз пересмотрел ролик Бойцова Тестирование по Ридораку, там где он показывает на какие точки как прикладывает свой электрод как у Накатани.
Нужно без усилия просто плотно прижать.
Привычка сильно жать электрод так и осталась у меня от элетропунктуры.
У меня получается намного сильнее, что соответственно искажает первоначальный замер на 3 секундах, что влияет на показания общего энергетического уровня при замере всех точек.
Вот такая у меня заготовка овощечистка, 16,5 см, судя по электроду на ролике так приблизительно и будет.
Сама ручка 10 см, от ручки до наконечника 6 см.
Далее сверлить отверстие и т.д.
При конструкции такого электрода прижатие будет существенно меньше чем обычным, во всяком случае у меня точно.
ГУФ Олег Викторович!
Не понял, что нужно делать конкретно с овощечисткой, где сверлить и т.д.
Корпус из нержавейки предполагается изолировать от руки?
Уточните пожалуйста Вашу идею.
Не понял, что нужно делать конкретно с овощечисткой, где сверлить и т.д.
Корпус из нержавейки предполагается изолировать от руки?
Уточните пожалуйста Вашу идею.

Должно было быть по задумке так, сама ручка для изоляции в термотрубку.
Вот там где должно было быть отверстие для наконечника треснуло.
К сожалению моя заготовка при кернение треснула.

Далать буду из прихватки.

Далее ручку в термотрубку и сделать проводку.
Вообще супер пупер.
Отредактировано Олег Викторович (17.09.2025 18:08)
Будьте здоровы и счастливы.
Кто как что придумал по теме активного щупа для Накатани ?
Мне мой вариант очень понравился, просто и удобно.
Будьте здоровы и счастливы.
Диагностика по Накатани как есть без учёта рук и ног полнейшая ерунда.
В теме БИОРС описывал, это относится и к данной диагностике.
Наверно бесполезно тут об этом подробно писать, напишу пару строк.
Настроили прибор щуп на трубку через вату с физраствором на 200 мкА.
Далее взять 2 трубки в руки и посмотреть сколько выйдет.
У меня вышло 170 мкА.
Далее тоже так замерить на двух пластинах на ногах при тех же настроенных 200 мкА.
У меня вышло 200 мкА.
Получается разница при 200 мкА на руках и ногах, вот её и нужно учитывать, настраивать при диагностике.
Замеряйте как хотите, я просто поделился своими разработками. 
Отредактировано Олег Викторович (03.10.2025 18:02)
Будьте здоровы и счастливы.
Всем доброго времени суток!
Подскажите, кто может собрать прибор для диагностики по Накатани? К кому можно обратиться?
Пост написан 26.11.2025 02:16
Добрый день.
Лет так 20 назад вам бы даже просто из за интереса сделали и бесплатно отправили, а теперь постарели и просто лень.
Схема то что, вот сами электроды делать тяжелее если нормальные.
Я уже себе еле сделал, так уже всё медленно делается.
Отредактировано Олег Викторович (27.11.2025 12:27)
Будьте здоровы и счастливы.
Я уже себе еле сделал, так уже всё медленно делается.
Да стареем. Смотрю какие приборы раньше делал и не понимаю, как все получалось и работало.
Всем доброго времени суток!
Подскажите, кто может собрать прибор для диагностики по Накатани? К кому можно обратиться?
На озоне можно купить повышающий cd-cd преобразователь, запитать его кроной, вот вам и стабильные 12 вольт, корпус из коробки от смартфонов, идеально подходят, ну и мкА на 200, переменный резистор 470кОм, если хотите прям плавно, то еще на 3 кОм, на плюсовой и ст. ложка сгодится, на минус из инсулинового шприца можно сделать, если паяльник держали, то сделаете
Отредактировано diksonit (29.11.2025 14:44)
«Даже если вас съели – у вас два выхода».
Должно было быть по задумке так, сама ручка для изоляции в термотрубку.
Вот там где должно было быть отверстие для наконечника треснуло.
К сожалению моя заготовка при кернение треснула.
Далать буду из прихватки.
Далее ручку в термотрубку и сделать проводку.
Вообще супер пупер.
Олег Викторович, подскажите пожалуйста, из чего Вы делали пластину внутри активного электрода Накатани к которой припаивается провод?
К нержавейке если вырезать круг диаметром 10 мм из пластины от плюсового электрода от Аксона трудно припаять провод будет. Из стальной ложки чайной делать там тоже паять трудно будет.
Олег Викторович, подскажите пожалуйста, из чего Вы делали пластину внутри активного электрода Накатани к которой припаивается провод?
Один из латуни, другой из нержавейки, ранее в теме фото выкладывал как делал.
Нержавейка отлично припаивается с соответствующим флюсом, к примеру флюс к пайке нихромки.
Предварительно там где будет пайка надфилем поскрести.
Тот что из нержавейки лучше стабильно держит ток, из латуни окисляется и во время работы приходится замерять и корректировать ток.
Будьте здоровы и счастливы.
Понимаю Вас. На сайте разные варианты, я сама не электронщик. Мне сложно разобраться по какой схеме лучше собирать и чем они отличаются. Можно Вас попросить дать последнюю доработанную схему, что бы я могла поставить задачу какому-нибудь умельцу собрать прибор. Есть схема, где используется амперметр не со стрелкой, а цифровой, чтобы показания регистрировались на 3 секунде от начала замера? (Ну что бы не мультиметр приделывать, а собрать полноценный прибор в корпусе. Я посмотрела, продаются цифровые амперметры. Как эту задачу реализовать? Нужно ли для этого плату типа ардуино? В общем, если схема сборки для встроенного цифрового амперметра и фиксацией на 3 секунде? Можно скинуть на почту?
Пост написан 28.11.2025 17:23
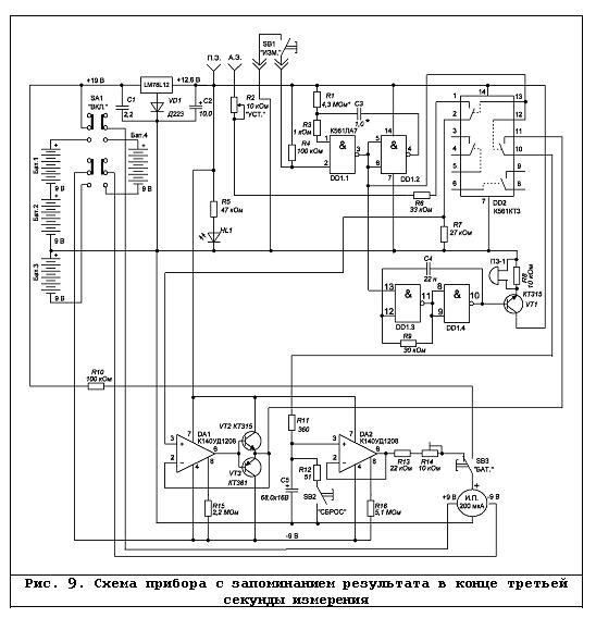
Такая схема всего одна Евгения тут на форуме.
Мной отредактированная из частей схем в одну.
Будьте здоровы и счастливы.
что бы я могла поставить задачу какому-нибудь умельцу собрать прибор.
В общем, если схема сборки для встроенного цифрового амперметра и фиксацией на 3 секунде?
готового проекта для сборки нету
есть заготовка, по ней радиолюбитель с навыками конструирования сможет что-нибудь уже "сообразить" .
могут быть варианты. 
Такая схема всего одна Евгения тут на форуме.

·Отрывки из ненаписанных книг
Совсем забыл, ВАГУФ Шарлатан ещё свою схему выкладывал на 3 сек.

Схема Евгения мной собранная из частей.
Его описание в теме.
Ещё раз, проблема не в схеме, а сделать хороший электрод.
Даже если всё будет нужно учиться правильно искать точки для диагностики.
Смотрите ролики Бойцова, где он показывает как правильно.
Отредактировано Олег Викторович (02.12.2025 02:52)
Будьте здоровы и счастливы.

Сейчас проще применить плату повышения питания от 3-4 пальчиковых типа таких.
Тут фиксированное питание на 5; 9; 12 вольт, по умолчанию тут 12 вольт.
Если нужно другое, выпаиваются перегородки.
На плате стоит светодиод который жрёт ток, его просто убрать кусачками.
Будьте здоровы и счастливы.



Напомню сам оригинал схемы
Плату в любом случая нужно перепроверять.
Будьте здоровы и счастливы.
Вы здесь » Биорезонансные технологии » Электропунктурная диагностика » Электропунктурная диагностика по методу И. Накатани (2)