
В начале 2000 нас собрали в зале, к нам приезжал в часть капитан медицинской службы с госпиталя.
Какую то там речь нёс, далее предложил нам купить прибор
АППАРАТ ФИЗИОТЕРАПЕВТИЧЕСКИЙ АВТОНОМНЫЙ ДЛЯ СОЧЕТАННОГО
ЭЛЕКТРИЧЕСКОГО, МАГНИТНОГО, ФОТОХРОМНОГО И МИКРОВИБРАЦИОННОГО ВОЗДЕЙСТВИЯ ОДНОКАНАЛЬНЫЙ
ФААМ 1 – НЕВОТОН.
https://www.medtex.nnov.ru/nevoton-faam1.htm
тут он уже новее
Механические колебания акустической частоты – вибротерапия – нормализуют структуру и состав тканей, стимулируют кровоток и утилизацию жировых отложений, уменьшают выраженность целлюлита.
Механические колебания звуковой частоты, Гц 50–150; 50 -1000
Амплитуда микровибраций, мкм в диапазоне частот 50–150 Гц 20–60
Амплитуда микровибраций, мкм в диапазоне частот 50–1000 Гц 10-40
Период импульсной модуляции микровибрации в диапазоне частот 50–150 Гц 0,8–80
Период импульсной модуляции микровибрации в диапазоне частот 50–1000 Гц 30–60
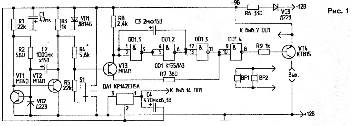
Так вот там этот звук тоже гуляет по кругу как в Витафоне.
Режим 2 – Вибротерапия при частоте 50–150 Гц.
Интенсивный микромассаж тканей уменьшает болевые ощущения различного происхождения, дренирует тканевые пространства, удаляет их них избыточную жидкость, уменьшает застойные явления, отек, повышается тургор и эластичность кожи и подкожной клетчатки.
В качестве излучателей там подпружиненные пьезодиски.
Так вот что интересного он рассказал про этот прибор, он им своему отцу восстановил позвоночник.
Там 3 воздействие одновременно ток, 4 красных светодиода и 2 виброизлучателя.
https://gigabaza.ru/doc/40931-pall.html
Там зоны воздействия им.
Посмотрел на характеристики, так пьезо тоже работает отлично.
Мкм выше чем у витафонов.
Отредактировано Олег Викторович (27.10.2025 17:28)
- Подпись автора
Будьте здоровы и счастливы.













