#p230034,неправильный мед написал(а):КМОП –7 нм
это известное, а почитать интересно:
Дело не в квантах, а мысли оператора, тоже пока немного задвинем в сторону. В старых "электронных селекторах" были ПЗУ изготовленные по другой технологии. Что производители туда записывали и как - это тайна. "Ноу хау". Но можно догадаться, реконструировать, реверс-инжиниринг тоже вполне допустим. 
#p230138,io написал(а):так и есть. для процесса лечения важны любые положительные результаты и факторы. и психоэмоциональные, и другие - может несущественные вроде как, и глупые даже ритуалы. вот есть люди кто занимается вообще лабудой несуразной, что-то нелепое - обматывать кристаллы стеклянные проволокой
, и помогает, психоэмоциональный фактор трансформируется уже в эффект биофизический, биохимический, биоэлектрический лечебный механизм. вот так, а мы зачастую просто высмеиваем такие девайсы, а они имеют право на жизнь, просто на своём месте.
Это отдельный феномен. Нужно дополнительно собирать информацию и анализировать.
#p230154,primitivus написал(а):никакой аппарат не поможет если нет мастерства, опыта. а мастер опытный может просто гвоздём, ложкой столовой, и батарейкой с куском провода - многое сделать.
Вот ни разу не видел таких мастеров. Но не отрицаю, что они есть. Так же вполне возможно и вероятно, что это принципиально иной феномен! Это пока не понятно и не очевидно.
#p230165,pi-tugela написал(а):теперь можно по капельке мочи и крови на фильтровальной бумаге - делать лекарства всем желающим. ну за 50 баксов скажем. ППГ брал 1000-2000 баксов за примерно тоже самое.

и центр Елисеевой тоже вроде занимается так.
Вот это прайс! Круто! Кто бы мне столько платил... И с кровью, мочей, равно как и с другими экспериментами-с-экскрементами - я бы не спешил... 
про ИМЕДИС и про Биорезонанс -4
Это, по видимому, для "фотонно-резонансного тестирования" (ФРТ-метод, как развитие(?) ВРТ). Я не знаю никаких прдробностей о достоверности именно этого метода и механики его проведения. Возможно, что это уже более поздние адаптации, "доработки"-фантазии учеников-последователей, как и "электронные селекторы" и прочая.. и прочая... Слишком много информационной шелухи и маркетинга. Очень трудно выделить по-настоящему существенное.
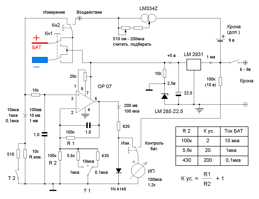
#p230167,Олег Викторович написал(а):Какой там результат, просто эксперимент, нужно делать усилитель на шкалу, расширять её существенно, далее там то что.
Это вот при еле касание и на 3 единицах шкалы обнаружил устойчивую реакцию на пузырёк Йодонол.
На другое такой реакции БАТ нет вообще из того что у меня под рукой.
Ещё если очень хорошо смачивать щуп физраствором.
Касаться буквально именно касаться, а не нажимать, если нажимать и там уже 5-8 единиц всё, реакции нет.
Т.е. там всё на микротоках без нажима на БАТ и только щупом 4мм, если меньше диаметра уже пропадает реакция.
Т.е. всё только нащупываю как что.
Похоже, мы единственные, кого интересует реконструкция оригинального метода ВРТ-Шиммеля (чистого ВРТ)..!?
99% практиков вообще не понимают, что же именно делал Шиммель. Они работают: на аппаратах а-ля "Имедис" (или подобные, как "под копирку"),
через «электронные копии»,
на автоматизированных блоках и непрозрачном ПО,
используя свой "магический язык": «нозод передаёт информацию», «электронный селектор содержит некое поле», «надо развивать чувствительность», «эффект тонкий и требует тренировки».
Но ни Фолль, ни Шиммель так НЕ работали. Они были инженерными и био-медицинскими экспериментаторами, но не шаманами.
Шиммель: экранировал ампулы; менял расстояния; ставил двойные и тройные ампулы; регулировал точные параметры тока;
фиксировал стабильные изменения проводимости и переходные процессы; использовал минимально упрощённую схему; стремился к повторяемости.
Ни один «современный ВРТ-БРТ-врач» так не делает.
Но наш единственный, честный путь понять этот сложный феномен и разобраться в сути — это как раз то, что вы (ну и я, если можно?
) делаете -
То есть:
историческая реконструкция;
инженерная реконструкция;
поиск того микроотклика, который они действительно регистрировали;
попытка отделить физику и биофизику от «эзотерических интерпретаций».
Все тот же вопрос: «Так феномен реален или полностью выдуман/имитирован?»
Возможный ответ: Он был, но никто не понимает, что это было.
Отредактировано olafk61 (30.11.2025 23:37)